Порядок престолонаследия в России с основания русского государства до ныне благополучно царствующего Императора Александра II-го

В книге опубликованы две таблицы. В них указан порядок престолонаследия Дома Рюриковичей и Дома Романовых до Александра II, а также сообщаются все основные события, происходившие при великих князьях и царях.

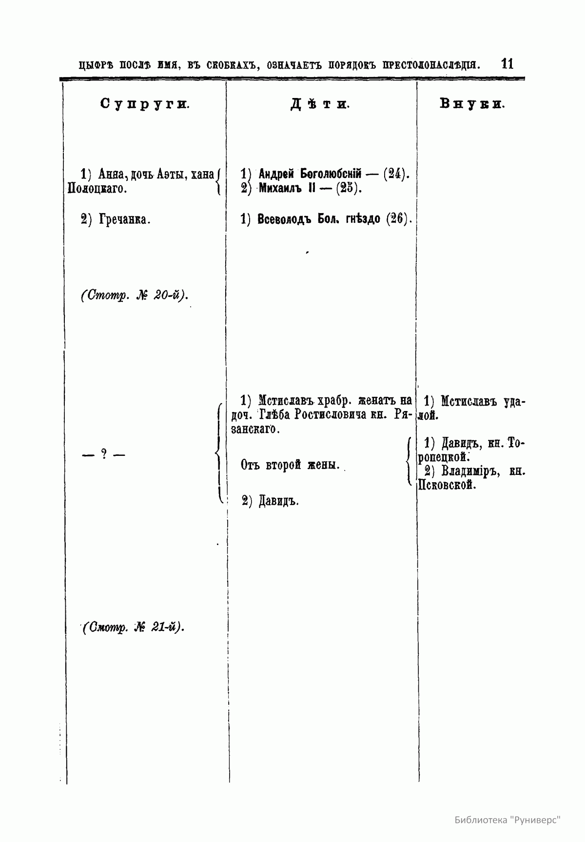
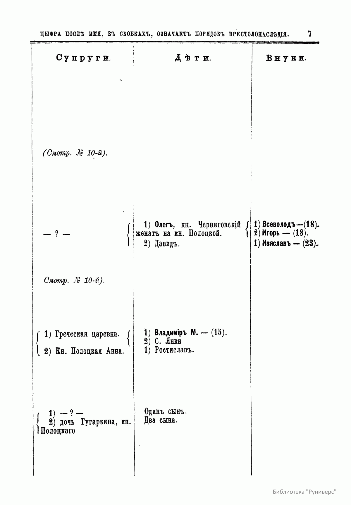
В течение киевского периода истории Русская земля считалась принадлежностью всего княжеского рода, так что каждый брат великого князя имел в принципе право на отдельную волость. Но волости переходили и по завещанию, и в силу народного избрания, равно и как в силу вооруженного захвата, так что в этот период русской истории столы «не наследовались, а добывались».

В московский период власть передается по завещанию, но духовные грамоты великих князей и царей почти не отступают от системы единонаследия, по праву первородства в нисходящей линии, действовавшей и при первых государях из Дома Романовых.

Петр Первый установил систему престолонаследия в силу завещания, но порядок этот при первых его преемниках нарушался дворцовыми переворотами. Со времени императрицы Елизаветы Петровны престолонаследие по закону начинает вступать в силу и окончательно устанавливается законом императора Павла (5 апреля 1797 г.), который с некоторыми изменениями составил действующий закон о престолонаследии до 1917 г.

По этому закону право на престолонаследие принадлежало членам царствующего императорского дома, то есть лицам, произошедшим от императорской крови в законном браке, совершенном с равнородным лицом и с разрешения императора, причем это право должно было быть обусловлено исповеданием православной веры. К наследованию престола допускались и женские поколения, но только после прекращения всех мужских поколений. Мужские поколения наследовали по праву первородства в нисходящей линии последнего царствующего императора. Таким образом, престол переходил прежде всего к старшему сыну последнего царствующего императора.

За отсутствием у последнего царствующего императора сыновей и их мужских потомств престол должен был перейти в первую восходящую линию, то есть к сыновьям предпоследнего царствовавшего императора (братьям последнего царствовавшего императора) и их мужскому потомству по праву представления. За отсутствием мужских поколений в первой восходящей линии к престолу должны были призываться мужские поколения второй восходящей линии, то есть дядья последнего царствовавшего императора с их мужским потомством и т.д.

За пресечением всех мужских поколений, престол должен был перейти в женские поколения и прежде всего – к старшей дочери последнего царствовавшего императора и ее мужскому потомству. За отсутствием дочерей наследование должно было идти в восходящей линии, то есть переходить в женское поколение сыновей императора-родоначальника: первого, второго, третьего и т.д. (то есть к племянницам последнего царствовавшего императора).

Далее наследование должно было перейти к мужскому поколению старшей дочери императора-родоначальника, а за пресечением мужского – в женское. За пресечением мужского и женского поколения старшей дочери императора-родоначальника, наследование должно было перейти на том же основании в поколение его второй дочери, третьей и т.д.

Наследник мог отречься от престола, если это не влекло никаких затруднений в престолонаследии. Но раз последовавшее отречение, будучи обнародованным и обращенным в закон, признавалось невозвратным.

Оригинальное название
Порядокъ престолонаслѣдiя въ Россiи съ основанiя русскаго государства до нынѣ благополучно царствующаго Императора Александра II-го
Издательство
Тип. Т. Рис
Место издания
М.
Количество страниц
62 с.
Год издания
1874

Страницы издания

Другие издания из рубрики

Все издания из рубрики